Introdución
O adaptador hidráulico en T é un conector en forma de T{0}}que divide o fluxo hidráulico sen problemas, feito con materiais resistentes para funcionar ben a alta presión. Encaixa en moitas pezas en fábricas, granxas e sistemas de automóbiles, detén as fugas e é fácil de colocar. Necesita pouco coidado, mantén o fluído en movemento constante e axuda a que as máquinas funcionen ben durante moito tempo-ideal para todo tipo de traballos.



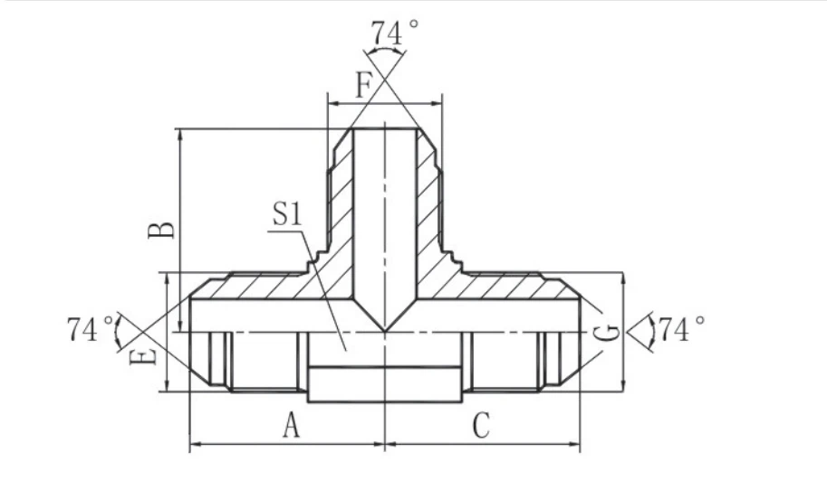
Especificacións

|
PARTE NO. |
FÍO |
DIMENSIÓNS |
|||||
|
E |
F |
G |
A |
B |
C |
S1 |
|
|
AJ-04 |
7/16*X20 |
7/16*X20 |
7/16*X20 |
24.5 |
24.5 |
24.5 |
11 |
|
AJ-04-06-04 |
7/16*X20 |
9/16*X18 |
7/16*X20 |
26.6 |
26.9 |
26.6 |
14 |
|
AJ-05 |
1/2*X20 |
1/2*X20 |
1/2*X20 |
26 |
26 |
26 |
14 |
|
AJ-06-04-06 |
9/16*X18 |
7/16*X20 |
9/16*X18 |
26.9 |
26.6 |
26.9 |
14 |
|
AJ-06 |
9/16*X18 |
9/16*X18 |
9/16*X18 |
26.9 |
26.9 |
26.9 |
14 |
|
AJ-08-06-08 |
3/4*X16 |
9/16*X18 |
3/4*X16 |
32 |
30 |
32 |
19 |
|
AJ-10 |
7/8*X14 |
7/8*X14 |
7/8*X14 |
37.8 |
37.8 |
37.8 |
22 |
|
AJ-12 |
1.1/16*X12 |
1.1/16*X12 |
1.1/16*X12 |
44.2 |
44.2 |
44.2 |
27 |
|
AJ-16 |
1.5/16*X12 |
1.5/16*X12 |
1.5/16*X12 |
49 |
49 |
49 |
33 |
|
AJ-16-12-16 |
1.5/16*X12 |
1.1/16*X12 |
1.5/16*X12 |
49 |
48 |
49 |
33 |
|
AJ-20 |
1.5/8*X12 |
1.5/8*X12 |
1.5/8*X12 |
56.5 |
56.5 |
56.5 |
41 |
|
AJ-24 |
1.7/8*X12 |
1.7/8*X12 |
1.7/8*X12 |
63 |
63 |
63 |
48 |
|
AJ-32 |
2.1/2*X12 |
2.1/2*X12 |
2.1/2*X12 |
78 |
78 |
78 |
63 |
Parámetros/Datos técnicos
|
Orixinal |
Zhejiang, China |
Data de entrega |
Negociable |
|
Certificación |
GB/T19001-2016 IDt ISO9001:2015 |
Embalaxe |
estándar de exportación |
|
Material |
Aceiro carbono |
Garantía |
1 ano |
|
Prazo de pago |
TT |
MOQ |
2000 |
|
Condición |
Novo |
Cor |
Zinc branco, cinc cor |
Sobre a empresa












Vantaxes
Calidade Superior
O noso equipo de expertos combina habilidades técnicas coa experiencia de xestión. Mantemos un estrito control de calidade con certificacións profesionais
Rica experiencia
Fundada en 2011. Actualmente exporta a 40+ países de todo o mundo, incluíndo: Estados Unidos, Alemaña, Reino Unido, Australia, Rusia, Brasil, Canadá, etc.
Amplia gama de produtos
4 categorías principais de produtos:
Accesorios hidráulicos
Casquillos hidráulicos
Adaptadores hidráulicos
Accesorios para tubos de nylon
Máis de 100 produtos diferentes dispoñibles
Prezos competitivos
Ofrecemos produtos de calidade a prezos razoables. Construímos unha forte confianza do cliente a través de:
Calidade fiable
Prácticas comerciais honestas
Crecemento constante de 10 anos
Servizo centrado{0}} no cliente
A súa satisfacción é a nosa principal prioridade. Resposta rápida a todas as consultas. Solucións profesionais para cada necesidade
Localización estratéxica
Convenientemente situado preto de Hangzhou. Excelentes conexións de transporte. Envío rápido e eficiente

FAQ
P: Por que escoller a nosa empresa?
R: A nosa empresa é un experto en hidráulica de 10 -anos, cunha calidade fiable, 18-meses de garantía, entrega rápida, optimización de custos e posvenda sen preocupacións.
P: Somos unha fábrica ou unha empresa comercial?
R: Somos a fábrica de orixe de xuntas hidráulicas, centrándonos na produción e investigación e desenvolvemento durante 10 anos
P: Canto tempo é o noso prazo de entrega?
R: Se está en stock, normalmente leva 7-15 días. Ou se a mercadoría non está en stock, leva 30-45 días, o que depende da cantidade
P: Cales son as nosas condicións de pago?
R: Paga o depósito do 30% despois da confirmación do pedido e o saldo do 70% coa copia do coñecemento de embarque
P: Podemos proporcionar mostras? / Podemos proporcionar mostras gratuítas?
R: Para os produtos actuais, pódense proporcionar 2 mostras para probas gratuítas e o cliente debe asumir o custo de envío; para produtos personalizados, póñase en contacto connosco para negociar o plan de mostra
P: Que faremos se atopamos problemas de calidade durante o uso?
R: Durante o período de garantía de calidade de 12-meses (calculado a partir da data de entrega), todos os danos non humanos están cubertos
P: Cal é o noso MOQ?
R: Para os produtos actuais, admitimos as compras únicas-unha peza. Para os produtos que non son-en stock, a cantidade mínima de pedido confirmarase por separado segundo as especificacións do produto
P: Podemos producir produtos segundo debuxos?
R: Soporta totalmente a produción segundo debuxos, pero requírense requisitos técnicos completos e normas de tolerancia
P: Cal é o noso servizo posvenda-?
R: Servizo completo de seguimento de loxística, actualización-en tempo real do estado do transporte e seguimento- da satisfacción do cliente despois da firma
P: Como comprobamos a calidade dos nosos produtos?
R: Temos un conxunto completo de equipos de proba profesionais, incluíndo probador de pulverización de sal, máquina de tracción, probador de dureza, etc., para controlar estrictamente a calidade do produto.
P: A nosa empresa ten servizo de OEM?
R: Por suposto, a nosa empresa ofrece servizos OEM. Póñase en contacto connosco para obter máis detalles.
P: Que tipo de embalaxe temos?
R: Actualmente só envases de cartón, pero se tes algún requisito, podemos tentar cumprilos
P: Cando podo obter o prezo?
R: Normalmente citamos dentro de 8 horas despois de recibir a súa consulta.
Etiquetas en quente: adaptador hidráulico t, fabricantes de adaptadores hidráulicos de China t, fábrica
